Regulator prądnicy typ SSMe
w motocyklu IŻ-49

Regulator SSM można stosować w motocyklach radzieckich IŻ-49 po przełączeniu baterii na "-" na masie. Bezproblemowo mieści się w puszkę prądów. Do współpracy z prądnicą G36 zalecamy regulator 45W.

Aby zastosować regulator SSMe w motocyklu IŻ-49 należy wykonać następujące czynności:

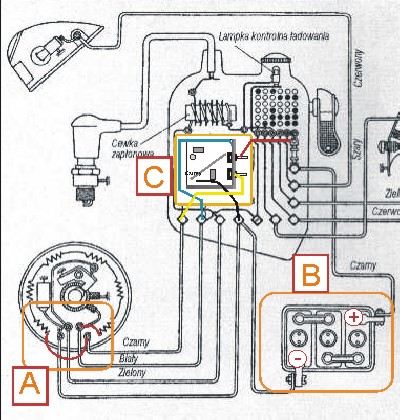
A.1.STOJAN-Spośród 3 wyprowadzeń oryginalnego stojana wybrać 2 wyprowadzenia pomiędzy którymi rezystancja wynosi ok.2,5-3,5 Ohm-To są wyjścia uzwojenia wzbudzenia. Trzecie wyjście (rezystor)izolujemy.

A.2.PODŁĄCZENIE STOJANA- 2 wyprowadzenia uzwojenia stojana podłączyć wg schematu A

A.3.MAGNESOWANIE PRĄDNICY Z '-' na masie.3.Połączyć wyprowadzenie stojana ( czarny na schemacie A ) z masą prądnicy, podłączyć akumulator "+" do szczotki "+"( biały na schemacie A ) i "-" do korpusu na 1 SEKUNDĘ , w celu namagnesowania z "-" na masie. UWAGA wirnik musi obracać się zgodnie ze strzałką na obudowie(jeżeli obraca się w przeciwną stronę- zamienić miejscami wyprowadzenia stojana i ponownie podłączyć do akumulatora 2

B.AKUMULATOR podłączyć do instalacji z "-" na masie

C.Regulator SSMe należy zamontować w puszkę wg. poniższego schematu C.

POWRÓT